Москва, ул. Производственная, д.11
Внутрипольный конвектор Techno Usual KVZ 350-120-2100 с естественной конвекцией. Это отличная альтернатива обычной системе отопления. Они могут использоваться для отопления помещений как самостоятельно, так и в качестве дополнительного отопления в комбинации с другими устройствами.
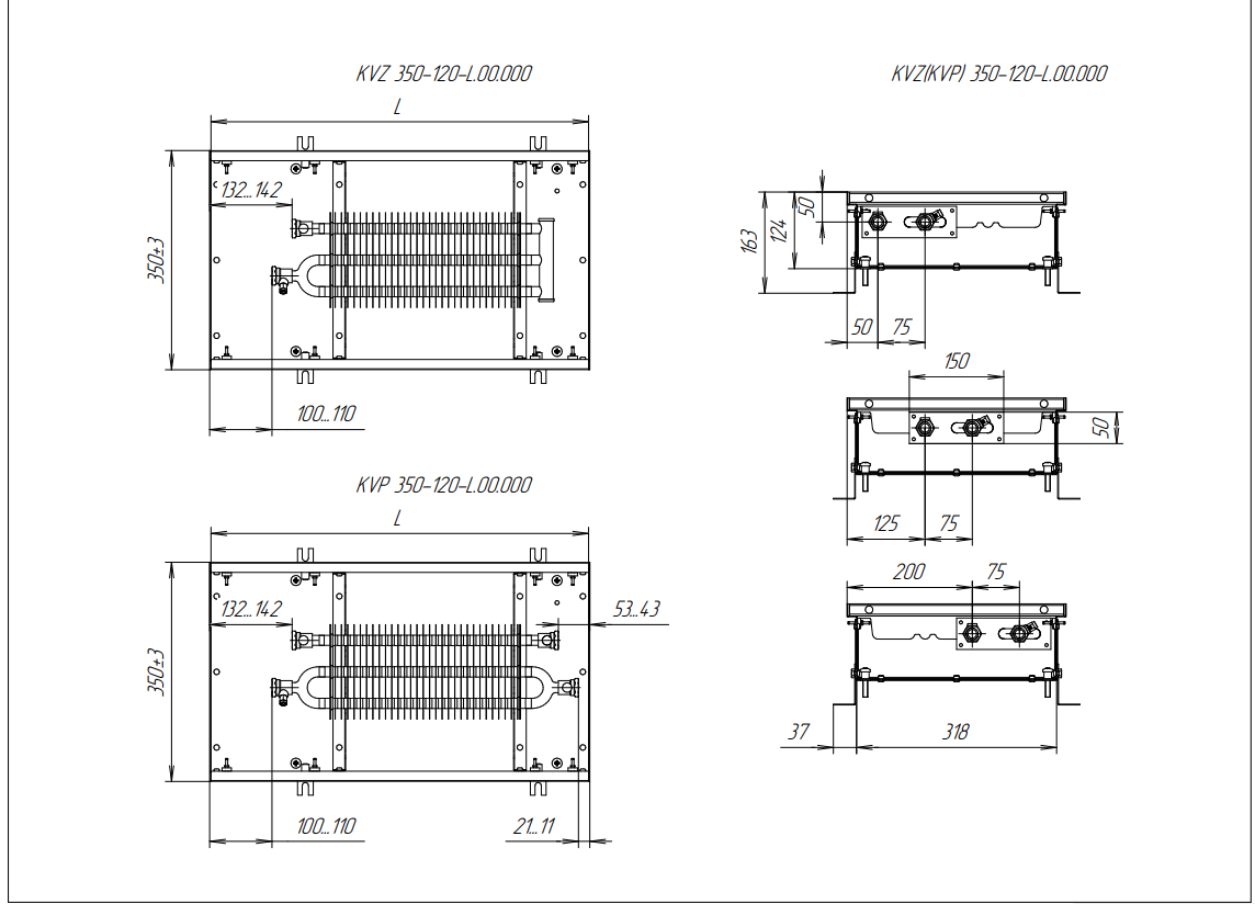
Габариты конвектора:
- Ширина - 350 мм
- Глубина - 120 мм
- Длина - 2100 мм
Конвекторы Техно - приборы с естественной конвекцией для обогрева помещений с большой площадью остекления. Подходит для установки как в жилых, так и в офисных зданиях с панорамными окнами и низкими подоконниками. Внутри конвектора предусмотрено крепление для дополнительной установки вентилятора, что позволяет увеличить мощность прибора (за исключением моделей с глубиной 65 мм и шириной 200 мм) Приборы с малой высотой корпуса могут быть установлены в неглубокий пол или подоконник.
Конвектор Techno Usual KVZ 350/120/2100 выполнен из высококачественной листовой оцинкованной стали с износостойким порошковым покрытием. Теплообменник изготовлен из цельной медной трубы и алюминиевого ребра и оборудован воздухоспускным клапаном. Узел подключения с внутренней резьбой 1/2". Внутрипольный конвектор КВЗ - это современный, удобный, прекрасно вписывающийся в интерьер прибор водяного отопления. Конвектор Techno используется в тех местах, где применение обычных настенных отопительных приборов не целесообразно (витражные остекления, подоконники, современный дизайн, и т.д.). Встраиваемые конвекторы Техно длиной до 2400 мм – цельные. Далее конвекторы свыше 2400 мм состоят из двух секций корпуса и теплообменника. Две части (секции) теплообменник соединяется между собой гибкой нержавеющей подводкой. Стоимость проходных моделей Techno (KVP) рассчитывается по запросу.
КОМПЛЕКТАЦИЯ ВНУТРИПОЛЬНЫХ КОНВЕКТОРОВ TECHNO
- корпус из оцинкованной стали толщиной 1,5мм с дополнительными ребрами жесткости и износостойким полиэфирным порошковым покрытием тёмно-графитного цвета (RAL 7016).
- окрашенный в цвет корпуса медно-алюминиевый теплообменник с воздухоотводчиком и узлом подключения G1/2”.
- рулонная решетка из анодированного (либо окрашенного по RAL) алюминия или дерева (декоративные решетки приобретаются отдельно).
- Окантовочный U- профиль образный либо F-образный профиль из алюминия, выполненный в цвет решетки, позволяет встраивать конвектор в любой тип пола (опция!!).
- монтажный комплект (кронштейны крепления корпуса к основанию, крепежные элементы).
- Встраиваемые конвекторы длиной до 2400 мм - цельные, конвекторы свыше 2400 мм состоят из нескольких секций.
- паспорт, инструкция по монтажу и эксплуатации.
ОПЦИИ
- корпус из нержавеющей стали.
- корпус со сливным патрубком для влажных помещений (серия WD).
- продольная декоративная решетка.
- изготовление нестандартных конвекторов по ТЗ заказчика.
ДЕКОРАТИВНЫЕ РЕШЕТКИ
Декоративные решетки для конвекторов являются рулонными, гибкость ей придает стальная пружина внутри. Шаг решетки — 12 мм. Решетки для внутрипольных конвекторов Techno Usual KVZ являются съемным декоративным элементом конвектора и изготавливаются из анодированного или крашенного алюминия разных цветов «Серебро», «Белый RAL 9016», «Коричневый RAL 8017», «Черный RAL 9005», «Золото», «Бронза», «Коньяк», «Темное дерево», «Светлое дерево». Возможна окраска любым цветом RAL под заказ. Декоративные алюминиевые решетки имеют ширину от 150 до 420 мм и используются в конвекторах Techno. В решетках Техно, можете быть уверены, служить будут долго.
Для покупки товара в нашем интернет-магазине выберите понравившийся товар и добавьте его в корзину. Далее перейдите в Корзину и нажмите на «Оформить заказ» или «Быстрый заказ».
Когда оформляете быстрый заказ, напишите ФИО, телефон и e-mail. Вам перезвонит менеджер и уточнит условия заказа. По результатам разговора вам придет подтверждение оформления товара на почту или через СМС. Теперь останется только ждать доставки и радоваться новой покупке.
Оформление заказа в стандартном режиме выглядит следующим образом. Заполняете полностью форму по последовательным этапам: адрес, способ доставки, оплаты, данные о себе. Советуем в комментарии к заказу написать информацию, которая поможет курьеру вас найти. Нажмите кнопку «Оформить заказ».
Безналичный расчёт
После оформления заказа будет сформирован счёт на оплату, который Вы можете распечатать и оплатить. Денежные средства поступят на наш счёт в течение 2-3 рабочих дней после оплаты заказа.
Оплата заказов клиентами - юридическими лицами возможна только по безналичному расчёту.
Все необходимые для бухгалтерии документы (оригинал счёта на оплату, счёт-фактура, накладная) выдаются вместе с заказом при получении.
Онлайн-оплата платежной картой Visa, MasterCard, МИР
Открыта возможность оплаты покупок посредством карт Visa, MasterCard, МИР. Для этого перейдите в корзину магазина, введите сумму платежа, после чего нажмите кнопку «Оплатить».
Оплата при получении
Уважаемые Клиенты компании!
Вы можете оплатить заказанные конвекторы в момент получения и после того как проверите комплектность заказа.
Данная услуга работает в городах: г.Москва
Более подробную информацию уточняйте у менеджера компании.
Время доставки
Доставка заказа по г. Москве, осуществляется ежедневно, с 10.00 до 22.00.
Для Вашего удобства мы сократили временные диапазоны и Вы можете выбрать один из предложенных вариантов без дополнительной платы.
По вашему желанию, за дополнительную плату, доставка заказа может осуществляться в более узком временном диапазоне и вне рамок указанного временного диапазона.
Доставка до транспортных компаний осуществляется вторник и четверг.
Доставка курьером
Доставка осуществляется по России такими транспортными компаниями: Деловые Линии, Байкал-Сервис
Доставка по г. Москве, осуществляется курьерами нашей компании. В день доставки с Вами свяжется курьер для уточнения времени и места доставки.
В стоимость доставки не включена стоимость подъема товара, при наличии работающего лифта, в случае отсутствия лифта стоимость подъема составит 200 руб/этаж.
Доставка товара за пределы МКАД оплачивается дополнительно из расчета 30 руб за 1 км.
Самовывоз из офиса магазина
Самовывоз доступен по будням в рабочее время. Удобное время получения с Вами согласует консультант магазина.
1. Самовывоз с завода: пн-пт в рабочее время с 10.00 до 17.00 (при себе требуется иметь доверенность на получения)
2. Самовывоз с склада: г. Москва, Производственная, 11. пн-пт в рабочее время с 10.00 до 17.00 (при себе требуется иметь доверенность на получения) Внимание!!! Заранее согласуйте с менеджером.
Доставка ТК Деловые Линии
Доставка осуществляется до транспортной компании. В день доставки с вами свяжется менеджер для уточнения времени и места доставки.
О доставке в другие регионы России и страны СНГ уточняйте менеджеров магазина.
